Werdykt Samsung Galaxy A17 4G
Trudno o tańszy smartfon z ekranem AMOLED niż Samsung Galaxy A17 4G: Za telefon zapłacą Państwo mniej niż 200 euro. Ale trzeba też obejść się bez możliwości 5G i zadowolić się 4 GB pamięci RAM, przynajmniej w podstawowym modelu. Żywotność baterii jest również raczej przeciętna.
Nie będą Państwo chcieli uruchamiać zbyt skomplikowanych aplikacji na stosunkowo wolnym SoC. Niemniej jednak większość codziennych zadań działa płynnie.
Elastyczny system kamer z szerokokątnym i makro aparatem jest również niezwykły, nawet jeśli mają bardzo niską rozdzielczość.
Trzeba żyć z migotaniem PWM na ekranie i nie należy stawiać zbyt wysokich wymagań co do prędkości Wi-Fi.
Ogólnie rzecz biorąc, Samsung Galaxy A17 4G to niezwykle dobrze wyposażony budżetowy smartfon, któremu zdecydowanie warto się przyjrzeć.
Za
Przeciw
Cena i dostępność
W sklepie amazon. com za smartfon zapłacą Państwo około 230 USD.
Spis treści
- Werdykt Samsung Galaxy A17 4G
- Specyfikacje
- Obudowa i funkcje - tworzywo sztuczne i szkło Gorilla Glass
- Komunikacja i obsługa - telefon LTE z czujnikiem linii papilarnych
- Oprogramowanie i zrównoważony rozwój - 6 lat aktualizacji?
- Kamery - niezwykle elastyczne
- Wyświetlacz - Jasny AMOLED 90 Hz
- Wydajność, emisje i czas pracy na baterii - dość szybko
- Ogólna ocena Notebookcheck
- Możliwe alternatywy w porównaniu
Specyfikacje
Obudowa i funkcje - tworzywo sztuczne i szkło Gorilla Glass
Obudowa Samsunga Galaxy A17 4G została przeprojektowana, odchudzona i o 10 gramów lżejsza od poprzednika.
Cała obudowa jest wykonana z tworzywa sztucznego, ale wygląda solidnie i ma czyste wykończenie. Tył lekko odbija światło otoczenia, ale ogólny projekt jest dość prosty. Kamery są połączone w owalnym module. Ekran jest chroniony przez Gorilla Glass Victus, co jest rzadkością w tym przedziale cenowym.
Nasze urządzenie testowe jest wyposażone w 4 GB pamięci RAM i 128 GB pamięci masowej. Istnieje również model z 8 GB pamięci RAM i 256 GB pamięci masowej, różnica w cenie wynosi około 30 euro.
Podoba nam się fakt, że NFC jest dostępne, na przykład dla usług płatności mobilnych.
Nie można używać karty eSIM, ale dostępne są dwa gniazda nano-SIM. Jeden z nich można również wykorzystać na kartę microSD, która rozszerza pamięć o maksymalnie 2 TB. W naszym teście czytnik działał dość szybko i z dość stabilnymi prędkościami transferu.
| SD Card Reader - average JPG Copy Test (av. of 3 runs) | |
| Samsung Galaxy A17 5G (Angelbird V60) | |
| Samsung Galaxy A16 4G (Angelbird V60) | |
| Samsung Galaxy A17 4G | |
| Xiaomi Redmi 15C 5G (Angelbird V60) | |
| Średnia w klasie Smartphone (5.72 - 58.9, n=69, ostatnie 2 lata) | |
| Motorola Moto G15 (Angelbird V60) | |
Międzyplatformowy test dysku (CPDT)
Komunikacja i obsługa - telefon LTE z czujnikiem linii papilarnych
Muszą się Państwo obejść bez łączności komórkowej 5G, a w sieci LTE również nie ma zbyt wielu dostępnych pasm częstotliwości.
Odbiór nie zawsze jest optymalny w różnych testach punktowych podczas naszych testów, ale rzadko zawodzi całkowicie.
W przypadku Wi-Fi telefon może korzystać co najwyżej ze standardu WiFi 5. Oznacza to, że prędkość transmisji danych około 300 MBit / s jest osiągana dość stabilnie.
Ekran może wyświetlać do 90 klatek na sekundę i dlatego dość szybko reaguje na dane wejściowe. Ekran dotykowy może być obsługiwany precyzyjnie.
Czujnik odcisków palców jest zintegrowany z przyciskiem gotowości po prawej stronie obudowy, który odblokowuje telefon niezawodnie i przy niewielkim czasie oczekiwania. Możliwe jest również odblokowywanie biometryczne poprzez rozpoznawanie twarzy. Działa to również dość szybko i dokładnie przy dobrym oświetleniu otoczenia.
| Networking | |
| Samsung Galaxy A17 4G | |
| iperf3 transmit AXE11000 | |
| iperf3 receive AXE11000 | |
| Samsung Galaxy A17 5G | |
| iperf3 transmit AXE11000 | |
| iperf3 receive AXE11000 | |
| Xiaomi Redmi 15C 5G | |
| iperf3 transmit AXE11000 | |
| iperf3 receive AXE11000 | |
| Samsung Galaxy A16 4G | |
| iperf3 transmit AXE11000 | |
| iperf3 receive AXE11000 | |
| Motorola Moto G15 | |
| iperf3 transmit AXE11000 | |
| iperf3 receive AXE11000 | |
| Przeciętny 802.11 a/b/g/n/ac | |
| iperf3 transmit AXE11000 | |
| iperf3 receive AXE11000 | |
| Średnia w klasie Smartphone | |
| iperf3 transmit AXE11000 | |
| iperf3 receive AXE11000 | |
Oprogramowanie i zrównoważony rozwój - 6 lat aktualizacji?
Android 15 jest preinstalowany na urządzeniu, z OneUI Samsunga na górze, który dość znacząco zmienia system operacyjny.
Galaxy A17 4G będzie otrzymywać aktualizacje do 2031 roku, czyli przez sześć lat od premiery, a nowe wersje systemu operacyjnego będą dostępne przez ten okres. Jednak Samsung ogranicza to na swojej stronie internetowej dodatkiem "do" i innymi klauzulami prawnymi. Nie można więc w pełni polegać na tej wspaniałej obietnicy.
Galaxy A17 4G jest zapakowany w papier. Materiały pochodzące z recyklingu stanowią zaledwie 1,4% produktu. Przynajmniej istnieje baza danych do samodzielnej naprawy https://samsung.sparepartservice.shop/eshopmvc/countryselect?g7=1284980N&goto=index?g7%3D1284980N%26&checksum=3d7de8c4422afb1b9bd970b4d27ebf65 w której Samsung oferuje części zamienne.
Kamery - niezwykle elastyczne
W aparatach nic się nie zmieniło w porównaniu do Galaxy A16 4Gale już wcześniej był on bardzo dobrze wyposażony: Oprócz 50-megapikselowego aparatu głównego, jest też obiektyw szerokokątny i obiektyw makro. Oba mają niską rozdzielczość, ale system kamer jest nadal dość elastyczny.
Główny aparat robi zadowalające zdjęcia, które pokazują chłodne kolory. Szczegóły nie zawsze są łatwo rozpoznawalne. Otaczający obraz również wydaje się miejscami nieco rozmyty. Przy słabym oświetleniu i silnych kontrastach jasność jest całkiem dobra i nadal można dostrzec szczegóły w większości obszarów.
Filmy można nagrywać w maksymalnej rozdzielczości 1080p i 30 fps. Poziom szczegółowości jest przyzwoity, ale autofokus jest czasami zbyt wolny.
Obraz z kamery szerokokątnej wygląda dość szorstko. Przedni aparat robi przyzwoite selfie z dobrym poziomem szczegółowości.
Porównanie zdjęć
Wybierz jedną z dostępnych scen i porównuj powiększone fragmenty zdjęć. Jeden klik w oknie "kliknij aby powiększyć" rozpoczyna cały proces. Lewy klik w oknach poniżej otwiera oryginalne zdjęcia w nowym oknie przeglądarki. Zdjęcia wykonane urządzeniem z niniejszej recenzji można zobaczyć w większym oknie poniżej.
Hauptkamera PflanzeHauptkamera UmgebungHauptkamera LowLightWeitwinkel

Wyświetlacz - Jasny AMOLED 90 Hz
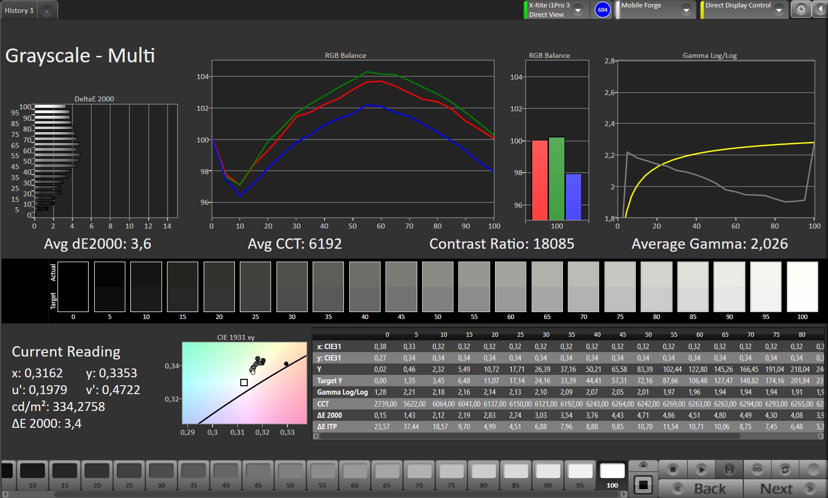
Ekran AMOLED w Galaxy A17 to rzadkość w przedziale cenowym poniżej 200 euro. Ekran jest dość jasny i ma do 687 cd/m².
Odwzorowanie kolorów jest również przyjemne, z niewielkimi odchyleniami, które są ledwo widoczne gołym okiem.
Obraz wygląda dość ostro, a kolory są żywe.
Trzeba jednak pogodzić się z migotaniem PWM przy niskich poziomach jasności.
| |||||||||||||||||||||||||
rozświetlenie: 93 %
na akumulatorze: 687 cd/m²
kontrast: ∞:1 (czerń: 0 cd/m²)
ΔE ColorChecker Calman: 3.45 | ∀{0.5-29.43 Ø4.79}
ΔE Greyscale Calman: 3.6 | ∀{0.09-98 Ø5}
99.8% sRGB (Calman 2D)
Gamma: 2.026
CCT: 6192 K
| Samsung Galaxy A17 4G AMOLED, 2340x1080, 6.7" | Samsung Galaxy A17 5G AMOLED, 2340x1080, 6.7" | Xiaomi Redmi 15C 5G IPS, 1600x720, 6.9" | Samsung Galaxy A16 4G Super AMOLED, 2340x1080, 6.7" | Motorola Moto G15 IPS, 2400x1080, 6.7" | |
|---|---|---|---|---|---|
| Screen | 5% | 1% | 8% | 5% | |
| Brightness middle (cd/m²) | 687 | 691 1% | 591 -14% | 729 6% | 468 -32% |
| Brightness (cd/m²) | 666 | 672 1% | 557 -16% | 716 8% | 452 -32% |
| Brightness Distribution (%) | 93 | 92 -1% | 91 -2% | 95 2% | 86 -8% |
| Black Level * (cd/m²) | 0.51 | 0.3 | |||
| Colorchecker dE 2000 * | 3.45 | 3.15 9% | 3.25 6% | 3.14 9% | 2.07 40% |
| Colorchecker dE 2000 max. * | 5.49 | 4.41 20% | 6.77 -23% | 4.24 23% | 6.38 -16% |
| Greyscale dE 2000 * | 3.6 | 3.6 -0% | 1.6 56% | 3.6 -0% | 0.8 78% |
| Gamma | 2.026 109% | 2.041 108% | 2.299 96% | 2.057 107% | 2.202 100% |
| CCT | 6192 105% | 6507 100% | 6967 93% | 6441 101% | 6607 98% |
| Contrast (:1) | 1159 | 1560 |
* ... im mniej tym lepiej
Migotanie ekranu / PWM (modulacja szerokości impulsu)
| Wykryto migotanie ekranu/wykryto PWM | 367 Hz Amplitude: 16 % | ||
Podświetlenie wyświetlacza miga z częstotliwością 367 Hz (najgorszy przypadek, np. przy użyciu PWM) . Częstotliwość 367 Hz jest stosunkowo wysoka, więc większość użytkowników wrażliwych na PWM nie powinna zauważyć żadnego migotania. Istnieją jednak doniesienia, że niektórzy użytkownicy są nadal wrażliwi na PWM przy częstotliwości 500 Hz i wyższej, więc należy zachować ostrożność. Dla porównania: 53 % wszystkich testowanych urządzeń nie używa PWM do przyciemniania wyświetlacza. Jeśli wykryto PWM, zmierzono średnio 8152 (minimum: 5 - maksimum: 343500) Hz. | |||
Wyświetl czasy reakcji
| ↔ Czas reakcji od czerni do bieli | ||
|---|---|---|
| 2.5 ms ... wzrost ↗ i spadek ↘ łącznie | ↗ 1.2 ms wzrost | |
| ↘ 1.3 ms upadek | ||
| W naszych testach ekran wykazuje bardzo szybką reakcję i powinien bardzo dobrze nadawać się do szybkich gier. Dla porównania, wszystkie testowane urządzenia wahają się od 0.1 (minimum) do 240 (maksimum) ms. » 12 % wszystkich urządzeń jest lepszych. Oznacza to, że zmierzony czas reakcji jest lepszy od średniej wszystkich testowanych urządzeń (20.3 ms). | ||
| ↔ Czas reakcji 50% szarości do 80% szarości | ||
| 2 ms ... wzrost ↗ i spadek ↘ łącznie | ↗ 1 ms wzrost | |
| ↘ 1 ms upadek | ||
| W naszych testach ekran wykazuje bardzo szybką reakcję i powinien bardzo dobrze nadawać się do szybkich gier. Dla porównania, wszystkie testowane urządzenia wahają się od 0.165 (minimum) do 636 (maksimum) ms. » 8 % wszystkich urządzeń jest lepszych. Oznacza to, że zmierzony czas reakcji jest lepszy od średniej wszystkich testowanych urządzeń (31.7 ms). | ||
Wydajność, emisje i czas pracy na baterii - dość szybko
Procesor MediaTek Helio G99 to bardzo popularny SoC w tej kategorii cenowej. Zwykle umożliwia płynną pracę, ale w bardziej wymagających sytuacjach może wystąpić czas oczekiwania.
Wydajność jest znacznie poniżej modelu 5G Galaxy A17, ale poza tym na równi z podobnie wycenionymi modelami. Pamięć UFS 2.2 działa dość szybko, ale w rzeczywistości jest wolniejsza niż w poprzedniku, co można wytłumaczyć jedynie innym kontrolerem pamięci lub dławieniem oprogramowania.
Telefon nagrzewa się maksymalnie do 44,4 °C przy dłuższym obciążeniu, co jest zauważalne, ale nie krytyczne. Telefon również minimalnie dławi się po długich okresach użytkowania.
Pojedynczy głośnik na dolnej krawędzi brzmi lepiej niż jego poprzednik, nadal dobrze przy maksymalnej głośności i nie jest już tak ciężki w wysokich tonach. Zdecydowanie można więc słuchać muzyki pop lub ścieżek dźwiękowych do filmów. Dla zewnętrznych urządzeń audio dostępne są złącza USB lub Bluetooth. Istnieje jednak stosunkowo niewiele kodeków audio do transmisji bezprzewodowej.
Bateria o pojemności 5000 mAh jest taka sama jak w Galaxy A16 4G a czasy pracy różnią się tylko nieznacznie. Samsung Galaxy A17 4G wytrzymuje około 13 godzin w naszym teście baterii WiFi, ujawniając jedną ze swoich słabości w porównaniu z innymi telefonami.
| Samsung Galaxy A17 4G | Samsung Galaxy A17 5G | Xiaomi Redmi 15C 5G | Samsung Galaxy A16 4G | Motorola Moto G15 | Przeciętny 128 GB eMMC Flash | Średnia w klasie Smartphone | |
|---|---|---|---|---|---|---|---|
| AndroBench 3-5 | -1% | 181% | 179% | -3% | -16% | 471% | |
| Sequential Read 256KB (MB/s) | 518.6 | 528.2 2% | 509.9 -2% | 942.8 82% | 287.7 -45% | 300 ? -42% | 2203 ? 325% |
| Sequential Write 256KB (MB/s) | 172.6 | 170.7 -1% | 512.1 197% | 710.8 312% | 228.5 32% | 195.1 ? 13% | 1819 ? 954% |
| Random Read 4KB (MB/s) | 141.1 | 134.7 -5% | 196.3 39% | 208.8 48% | 65.2 -54% | 85.9 ? -39% | 292 ? 107% |
| Random Write 4KB (MB/s) | 55.9 | 56.4 1% | 329 489% | 208.1 272% | 87.4 56% | 58.1 ? 4% | 335 ? 499% |
(±) Maksymalna temperatura w górnej części wynosi 44.4 °C / 112 F, w porównaniu do średniej 35.2 °C / 95 F , począwszy od 21.9 do 247 °C dla klasy Smartphone.
(±) Dno nagrzewa się maksymalnie do 44.9 °C / 113 F, w porównaniu do średniej 34 °C / 93 F
(+) W stanie bezczynności średnia temperatura górnej części wynosi 25.3 °C / 78 F, w porównaniu ze średnią temperaturą urządzenia wynoszącą 32.9 °C / ### class_avg_f### F.
testy obciążeniowe 3DMark
| 3DMark | |
| Wild Life Stress Test Stability | |
| Samsung Galaxy A17 4G | |
| Motorola Moto G15 | |
| Samsung Galaxy A17 5G | |
| Xiaomi Redmi 15C 5G | |
| Samsung Galaxy A16 4G | |
| Wild Life Extreme Stress Test | |
| Motorola Moto G15 | |
| Xiaomi Redmi 15C 5G | |
| Samsung Galaxy A17 4G | |
| Samsung Galaxy A16 4G | |
| Samsung Galaxy A17 5G | |
Samsung Galaxy A17 4G analiza dźwięku
(+) | głośniki mogą odtwarzać stosunkowo głośno (89 dB)
Bas 100 - 315 Hz
(-) | prawie brak basu - średnio 24% niższa od mediany
(±) | liniowość basu jest średnia (12.9% delta do poprzedniej częstotliwości)
Średnie 400 - 2000 Hz
(±) | wyższe średnie - średnio 6.1% wyższe niż mediana
(+) | średnie są liniowe (5.3% delta do poprzedniej częstotliwości)
Wysokie 2–16 kHz
(±) | wyższe maksima - średnio 6.5% wyższe od mediany
(±) | liniowość wysokich wartości jest średnia (9% delta do poprzedniej częstotliwości)
Ogólnie 100 - 16.000 Hz
(±) | liniowość ogólnego dźwięku jest średnia (21.9% różnicy w stosunku do mediany)
W porównaniu do tej samej klasy
» 44% wszystkich testowanych urządzeń w tej klasie było lepszych, 8% podobnych, 48% gorszych
» Najlepszy miał deltę 11%, średnia wynosiła ###średnia###%, najgorsza wynosiła 134%
W porównaniu do wszystkich testowanych urządzeń
» 62% wszystkich testowanych urządzeń było lepszych, 7% podobnych, 32% gorszych
» Najlepszy miał deltę 4%, średnia wynosiła ###średnia###%, najgorsza wynosiła 134%
Motorola Moto G15 analiza dźwięku
(+) | głośniki mogą odtwarzać stosunkowo głośno (84.3 dB)
Bas 100 - 315 Hz
(-) | prawie brak basu - średnio 23.7% niższa od mediany
(±) | liniowość basu jest średnia (11.9% delta do poprzedniej częstotliwości)
Średnie 400 - 2000 Hz
(±) | wyższe średnie - średnio 5.3% wyższe niż mediana
(+) | średnie są liniowe (5.8% delta do poprzedniej częstotliwości)
Wysokie 2–16 kHz
(+) | zrównoważone maksima - tylko 3.3% od mediany
(+) | wzloty są liniowe (5.9% delta do poprzedniej częstotliwości)
Ogólnie 100 - 16.000 Hz
(±) | liniowość ogólnego dźwięku jest średnia (19.9% różnicy w stosunku do mediany)
W porównaniu do tej samej klasy
» 31% wszystkich testowanych urządzeń w tej klasie było lepszych, 8% podobnych, 61% gorszych
» Najlepszy miał deltę 11%, średnia wynosiła ###średnia###%, najgorsza wynosiła 134%
W porównaniu do wszystkich testowanych urządzeń
» 50% wszystkich testowanych urządzeń było lepszych, 7% podobnych, 43% gorszych
» Najlepszy miał deltę 4%, średnia wynosiła ###średnia###%, najgorsza wynosiła 134%
| Samsung Galaxy A17 4G 5000 mAh | Samsung Galaxy A17 5G 5000 mAh | Xiaomi Redmi 15C 5G 6000 mAh | Samsung Galaxy A16 4G 5000 mAh | Motorola Moto G15 5200 mAh | |
|---|---|---|---|---|---|
| Czasy pracy | 2% | 43% | 16% | 31% | |
| WiFi v1.3 (h) | 13 | 13.2 2% | 18.6 43% | 15.1 16% | 17 31% |
| Reader / Idle (h) | 33.7 | 27.2 | 29.8 | ||
| H.264 (h) | 17.9 | 23.7 | 19.8 | ||
| Load (h) | 4.5 | 5.8 | 5.5 |
Ogólna ocena Notebookcheck
Samsung Galaxy A17 4G jest bardzo dobrze wyposażony jak na swój przedział cenowy.
Jedynymi słabymi punktami są czasy pracy i chwiejna obietnica aktualizacji.

Samsung Galaxy A17 4G
- 24/10/2025 v8
Florian Schmitt
Możliwe alternatywy w porównaniu
Obraz | Model / recenzja | Cena | Waga | napęd | Ekran |
|---|---|---|---|---|---|
| Samsung Galaxy A17 4G Mediatek Helio G99 ⎘ ARM Mali-G57 MP2 ⎘ 4 GB Pamięć, 128 GB eMMC | Amazon: $229.99 Cena katalogowa: 185€ | 190 g | 128 GB eMMC Flash | 6.70" 2340x1080 385 PPI AMOLED | |
| Samsung Galaxy A17 5G Samsung Exynos 1330 ⎘ ARM Mali-G68 MP2 ⎘ 4 GB Pamięć, 128 GB eMMC | Amazon: $230.69 Cena katalogowa: 209€ | 192 g | 128 GB eMMC Flash | 6.70" 2340x1080 385 PPI AMOLED | |
| Xiaomi Redmi 15C 5G Mediatek Dimensity 6300 ⎘ ARM Mali-G57 MP2 ⎘ 4 GB Pamięć, 128 GB UFS 2.1 | Amazon: 1. $7.99 Suttkue for Xiaomi Redmi 15C... 2. $4.99 Mr.Shield Screen Protector c... 3. $5.99 Aiziki (2 Pack Designed for ... Cena katalogowa: 170€ | 211 g | 128 GB UFS 2.2 Flash | 6.90" 1600x720 254 PPI IPS | |
| Samsung Galaxy A16 4G Mediatek Helio G99 ⎘ ARM Mali-G57 MP2 ⎘ 4 GB Pamięć, 128 GB UFS 2.1 | Amazon: $129.99 Cena katalogowa: 179€ | 200 g | 128 GB UFS 2.2 Flash | 6.70" 2340x1080 385 PPI Super AMOLED | |
| Motorola Moto G15 Mediatek Helio G81 ⎘ ARM Mali-G52 MP2 ⎘ 4 GB Pamięć, 128 GB eMMC | Amazon: $134.00 Cena katalogowa: 150€ | 190 g | 128 GB eMMC Flash | 6.72" 2400x1080 392 PPI IPS |
Przezroczystość
Wyboru urządzeń do recenzji dokonuje nasza redakcja. Próbka testowa została udostępniona autorowi jako pożyczka od producenta lub sprzedawcy detalicznego na potrzeby tej recenzji. Pożyczkodawca nie miał wpływu na tę recenzję, producent nie otrzymał też kopii tej recenzji przed publikacją. Nie było obowiązku publikowania tej recenzji. Jako niezależna firma medialna, Notebookcheck nie podlega władzy producentów, sprzedawców detalicznych ani wydawców.
Tak testuje Notebookcheck
Każdego roku Notebookcheck niezależnie sprawdza setki laptopów i smartfonów, stosując standardowe procedury, aby zapewnić porównywalność wszystkich wyników. Od około 20 lat stale rozwijamy nasze metody badawcze, ustanawiając przy tym standardy branżowe. W naszych laboratoriach testowych doświadczeni technicy i redaktorzy korzystają z wysokiej jakości sprzętu pomiarowego. Testy te obejmują wieloetapowy proces walidacji. Nasz kompleksowy system ocen opiera się na setkach uzasadnionych pomiarów i benchmarków, co pozwala zachować obiektywizm.






















